60周年
成果類別 科專研發
產出年度 105
計畫名稱 分離式蓄熱燃燒系統之設計與驗證技術建立
技術類別 產品驗證
搭配推廣專利
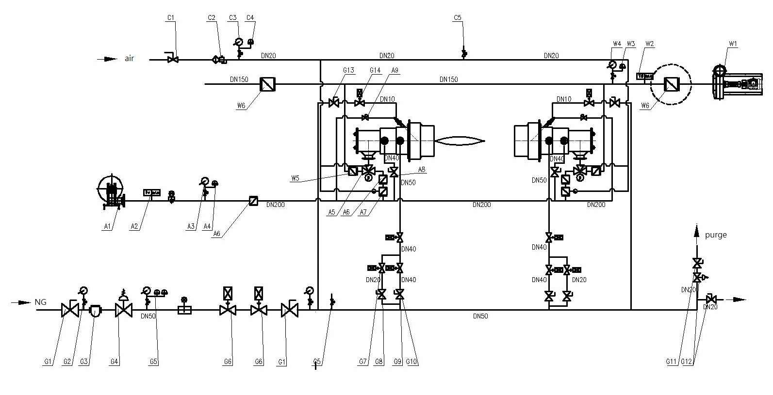
技術現況敘述 目前工業界爐溫與空燃比控制皆以PLC模組進行控制,使用PID控制法進行爐溫控制,在空燃比部分亦無法有效達到節能減排的目標。本技術利用多燃燒機的脈衝式模式與最佳空燃比之功率輸出策略,進行蓄熱式燃燒機之爐溫與空燃比控制,以兩階段燃氣流量與多燃燒機控制方式達成爐溫均勻分布及節能減排之目標。
技術規格 空燃比控制範圍: 9至11 氧濃度控制範圍: 3 %至21 % 燃燒機燃氣流率控制範圍: 25%至100% 爐溫範圍: 大於750 度C 燃燒機功率: 不限定 燃燒機數量: 至少兩部
可移轉技術名稱(中) 脈衝式空燃比與爐溫控制技術
可移轉技術名稱(英) The Strategy for Air-Fuel Ratio and Furnace Temperature Control
可應用範圍 本技術可運用於使用天然氣為燃料之蓄熱式燃燒機與傳統式多燃燒機系統,配合不同工業爐型皆可達到節能減排之調校目標。
市場(產品/服務)潛力預估 本技術可用於所有使用天然氣之燃燒機,包含傳統式燃燒機與蓄熱式燃燒機,皆可利用空燃比與氧濃度變化進行控制,配合蓄熱式燃燒機更可達到最佳節能減排之效果。因較爐內溫度分布較傳統控制技術均勻,除了應用性廣外,亦具競爭性。
所需之主要軟硬體設備 傳統或蓄熱式燃燒機, 控制電腦, PLC或其他相關控制器, 熱電耦及壓力感測元件, 天然氣與空氣流量計等設備。
總聯絡窗口 金屬工業研究發展中心 羅政副組長 
Tel: 07-3513121轉2366, Fax: 07-3534062
E-mail :judylo@mail.mirdc.org.tw
更新日期:108-03-18 / 維護單位:系統管理者
<